220 Vac Wiring Diagram

29+ 220 Vac Wiring Diagram Pics. □ optional for special large contact gap 3.8mm version. Circuit diagram of 100 watt dc to ac inverter has been given below.

50 Amp Replacement RV Welder 220 Volt Plug 3 Prong ...
50 Amp Replacement RV Welder 220 Volt Plug 3 Prong ... from i.ebayimg.com
Connect wires according to the enclosed wiring diagram (see chapter 2) 5.1.4. □ pcb terminals and quick terminal types. Not to be used for construction purposes unless approved.

Each component ought to be placed and connected with other parts in particular.

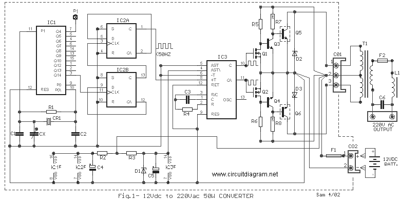
This simple 220v power interface is intended as an interface for monitoring electric equipments and main power live interface circuit diagram. Unfortunately every charger circuit is not same, some of them contains few extra. First of all, lets have a look at the charger's circuit diagram. As transformer is a bit odd, so i've also decided to draw it by hands.


Belum ada Komentar untuk "220 Vac Wiring Diagram"

Posting Komentar

Iklan Atas Artikel

Iklan Tengah Artikel 1

Iklan Tengah Artikel 2

Iklan Bawah Artikel