2016 Jeep Grand Cherokee Radio Wiring Diagram

Download 2016 Jeep Grand Cherokee Radio Wiring Diagram PNG. I'm looking for a chrysler infinity gold model 56008993 1995 jeep grand cherokee car stereo radio wiring diagram. Radio wiring, engine wiring, ac wiring, abs wiring, transmission wiring, power windows wiring, sunroof wiring, computer datalines, cruise control wiring, instrument cluster wiring 2007 jeep grand cherokee radio wiring.

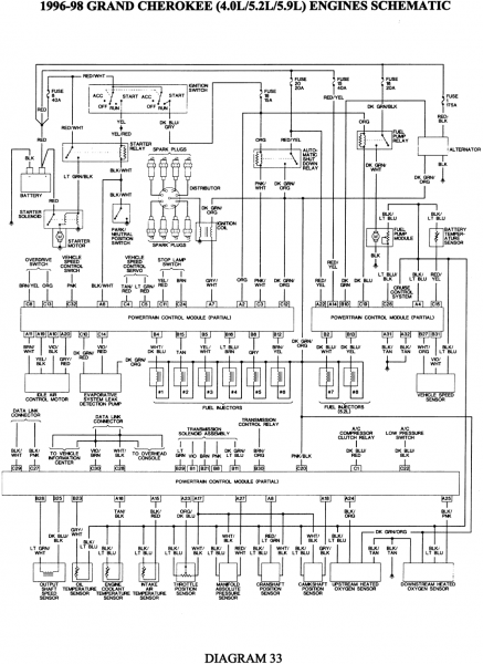
Jeep Grand Cherokee WJ Electrical Wiring Diagram
Jeep Grand Cherokee WJ Electrical Wiring Diagram from imgv2-1-f.scribdassets.com
The jeep grand cherokee vm 3.0l diesel engine. For the jeep grand cherokee second generation 1999, 2000, 2001, 2002, 2003, 2004 model year. After this open the online jeep grand cherokee radio code decoder and pass the human verification procedure.

Samsung wednesday, december 28, 2016 jeep.

I had no pictures, no diagrams and i search pretty deep all over jeep sites and you tube. 25 c3 c1 2 10 c1 amplifier power s334 c1 7 radio 1 1 front power outlet power connector s209 1 outlet. Diagrams for the following systems are included : Radio wiring, engine wiring, ac wiring, abs wiring, transmission wiring, power windows wiring, sunroof wiring, computer datalines, cruise control wiring, instrument cluster wiring 2007 jeep grand cherokee radio wiring.


Belum ada Komentar untuk "2016 Jeep Grand Cherokee Radio Wiring Diagram"

Posting Komentar

Iklan Atas Artikel

Iklan Tengah Artikel 1

Iklan Tengah Artikel 2

Iklan Bawah Artikel