2016 Civic Wiring Diagram Accessory

Get 2016 Civic Wiring Diagram Accessory Pics. Honda civic is available in two body versions: Related manuals for honda 2016 civic coupe.

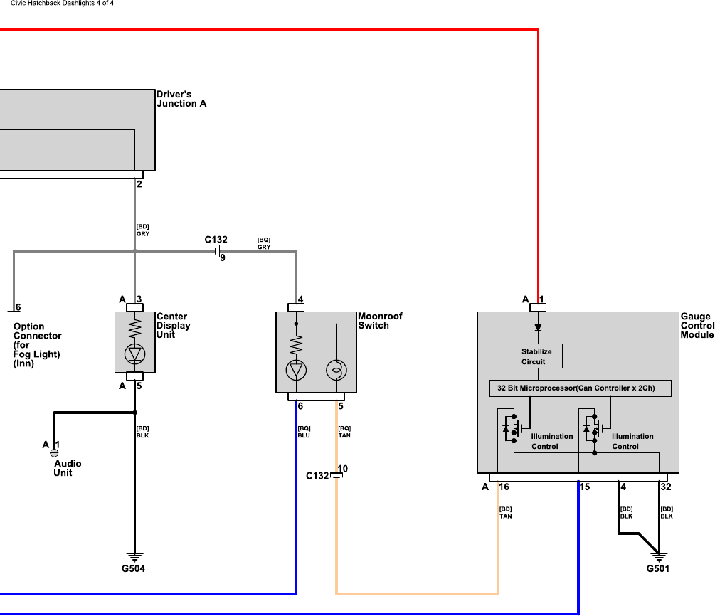
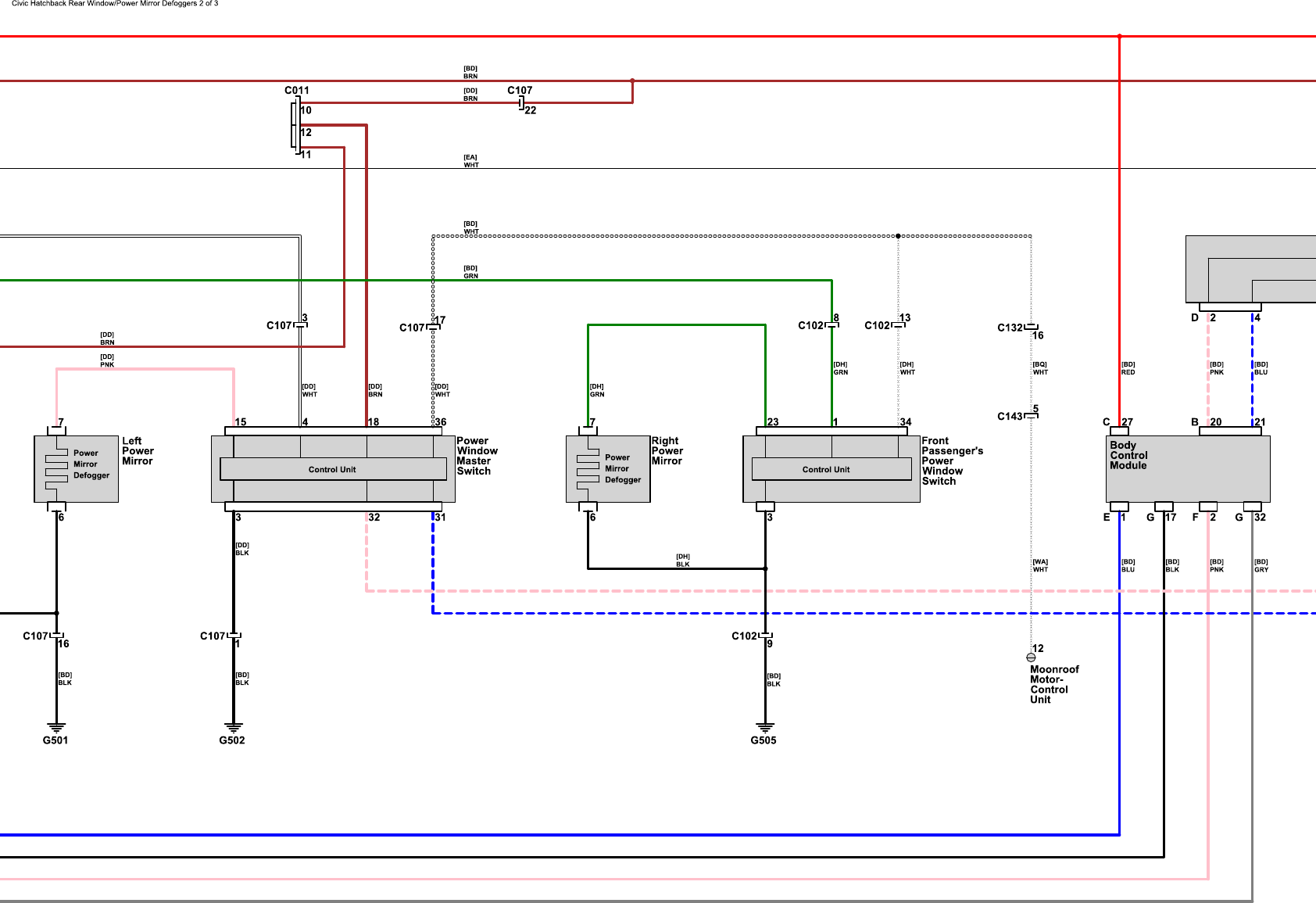
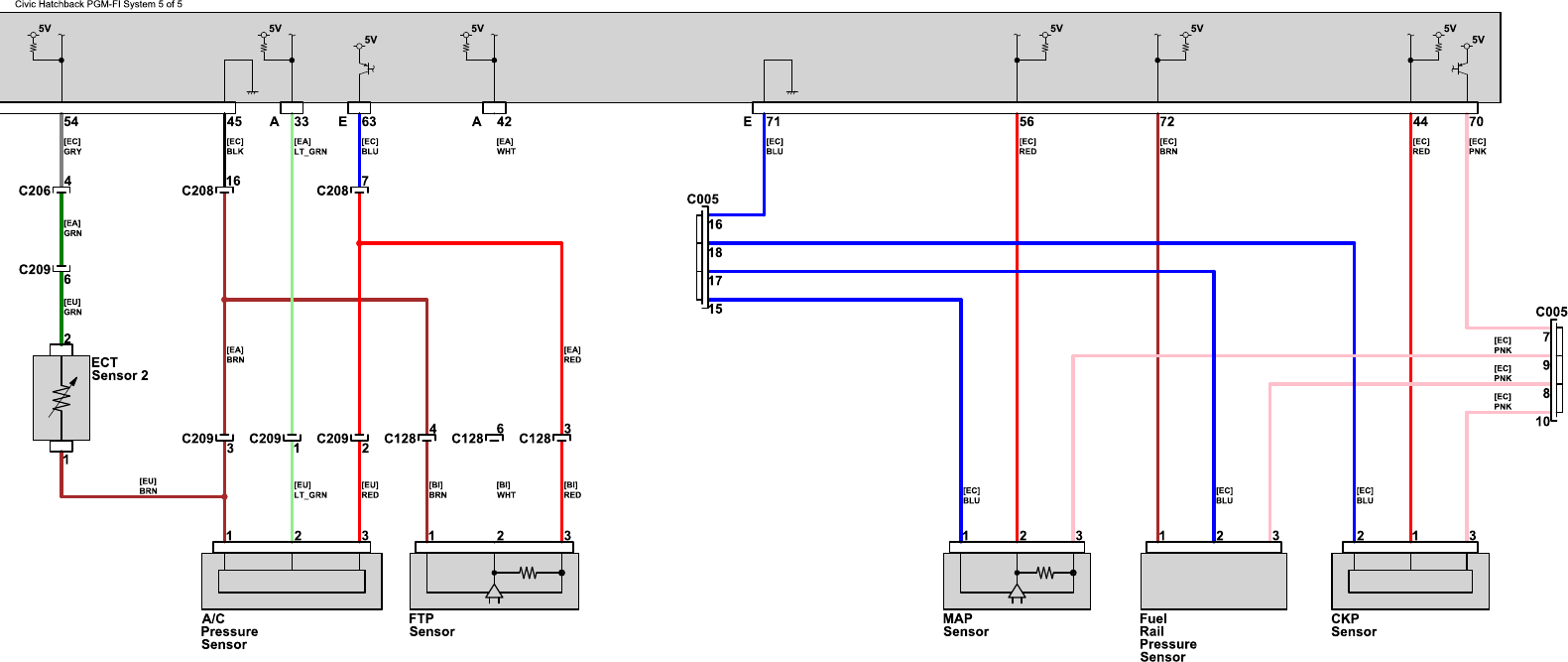
Electrical Wiring Diagrams page 125 | 2016 CIVIC Workshop ...
Electrical Wiring Diagrams page 125 | 2016 CIVIC Workshop ... from cdn.detroitmanuals.info
This video demonstrates the honda civic wiring diagrams and details of the wiring harness. Does anyone know which wire is for the button toggle? Associated wiring diagrams for the cruise control system of a 1990 honda civic.

Some honda civic wiring diagrams are above the page.

Honda 2016 civic coupe manual online: Alibaba.com offers 1,040 honda civic wiring products. Hello ronj what year model does that a/c circuit diagram apply to, i don't see anywhere on the image, what this schematic applies to. 2006 honda civic audio wiring diagram.


Belum ada Komentar untuk "2016 Civic Wiring Diagram Accessory"

Posting Komentar

Iklan Atas Artikel

Iklan Tengah Artikel 1

Iklan Tengah Artikel 2

Iklan Bawah Artikel